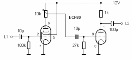
This amplifier circuit is indicated in a tube experiment kit and is powered by only 12 V. The circuit has high impedance input and output.

This amplifier circuit is indicated in a tube experiment kit and is powered by only 12 V. The circuit has high impedance input and output.
