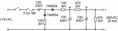
This circuit aims to generate 300 VDC with 20 mA for experiments on tubes from the 115 V network. The circuit is from American documentation.

This circuit aims to generate 300 VDC with 20 mA for experiments on tubes from the 115 V network. The circuit is from American documentation.
