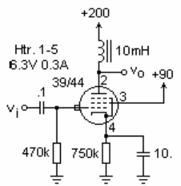
We found this circuit in a publication with modern tube designs. The circuit operates with inductive loads up to 269 kHz. Above that the load is a capacitor and not an inductor.

We found this circuit in a publication with modern tube designs. The circuit operates with inductive loads up to 269 kHz. Above that the load is a capacitor and not an inductor.
