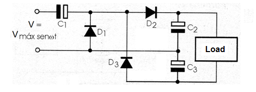
The circuit shown in figure 71 furnishes in the output a voltage three times greater than the input voltage. Components are calculated as follows.

Formula 1
Voltage in the capacitors:
Vc1 = Vc3 = Vmax
Where:
Vc1, Vc2, Vc3 are the working minumum voltage DC of the capacitors in volts (V)
Vmax is the peak of the input AC voltage
Note: minimum PIV of the diodes is 2 x Umax.



