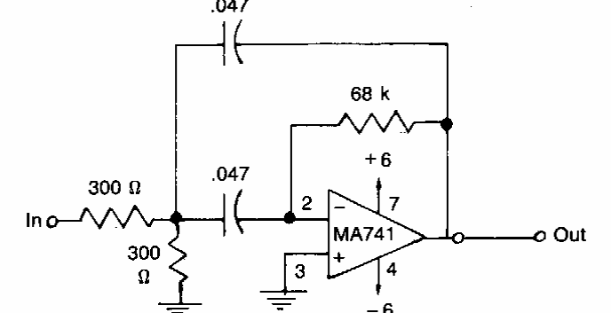
This circuit is from an ancient American documentation. The integrated circuit is 741 and the power supply must be symmetrical. The passing band is centered at 1 kHz.
This circuit was found in Motorola documentation from 1966. The lamps are according to power and...
This circuit, which uses components still common today, was found in a 1997 documentation. It...
This circuit is intended to apply the music signal from a stereo to a telephone line for the...