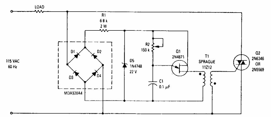
Found elsewhere in this section, but from other sources, this circuit is from Motorola documentation. The circuit uses a triac of the time and a tripping transformer. The circuit is for 110 V network.
This circuit was found in Motorola documentation from 1966. The lamps are according to power and...
This circuit, which uses components still common today, was found in a 1997 documentation. It...
This circuit is intended to apply the music signal from a stereo to a telephone line for the...