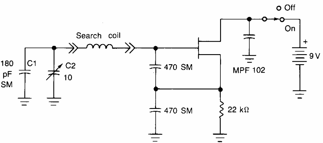
Found in an American leaflet from the 90s, this circuit uses an AM radio out of station to monitor the signal detecting when it leaves the frequency due to the presence of metal. The bobbin consists of 20 loops of wire 30 in a 6 x 8 inch non-metallic shape.




