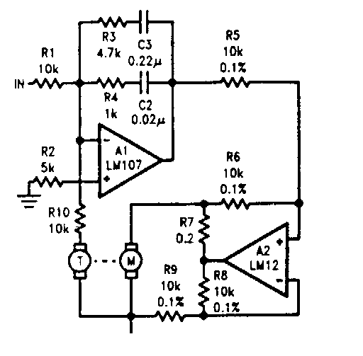
Found in National Semiconductor documentation from the 1980s, this circuit employs a power integrated from the era.
This circuit is from an old documentation making use of a 3,579,645 MHz analog color television...
The circuit shown in the figure is suggested by Intersil (www.intersil.com) and makes use of the...
This circuit split the voltage of a Power supply allowing it to be used as dual supply. The limit...