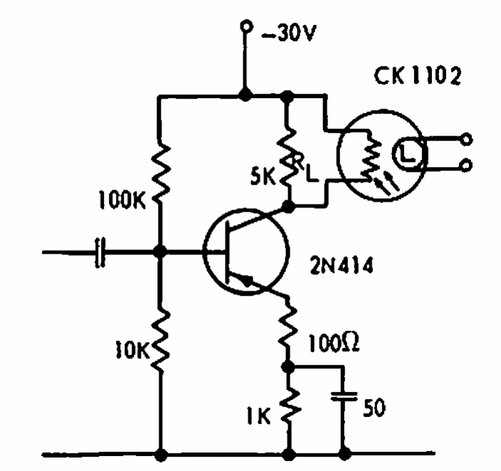
Raystor is a component of the 1960s Raytheon. It consists of a light coupler that allows you to use the circuit as a DC control for signals as shown.
This amplifier, of excellent quality, provides a power of 40 W IHF, or 22 W RMS, in a load of 8...
This basic circuit can be used in signal followers and other applications where an RF signal is to be...
This circuit was obtained in a 1991 Electronics Handbook. The publication no longer exists, but...