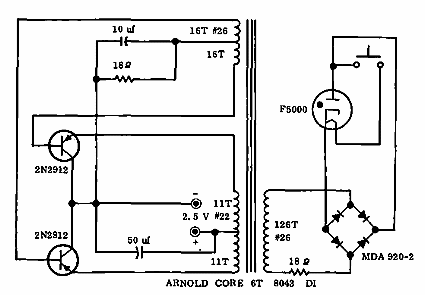
This 1965 circuit consists of a small inverter for an ultraviolet lamp. The circuit is from a Motorola manual and the transformer must be wound on the core indicated in the diagram.
The circuit with a common operational amplifier uses a zener as a reference. The circuit is from...
This circuit was found in a 90’s Popular Electronics. The circuit is used to analyze noise in...
This 1989 circuit activates a protection relay if one or two phases are missing from a three-phase...