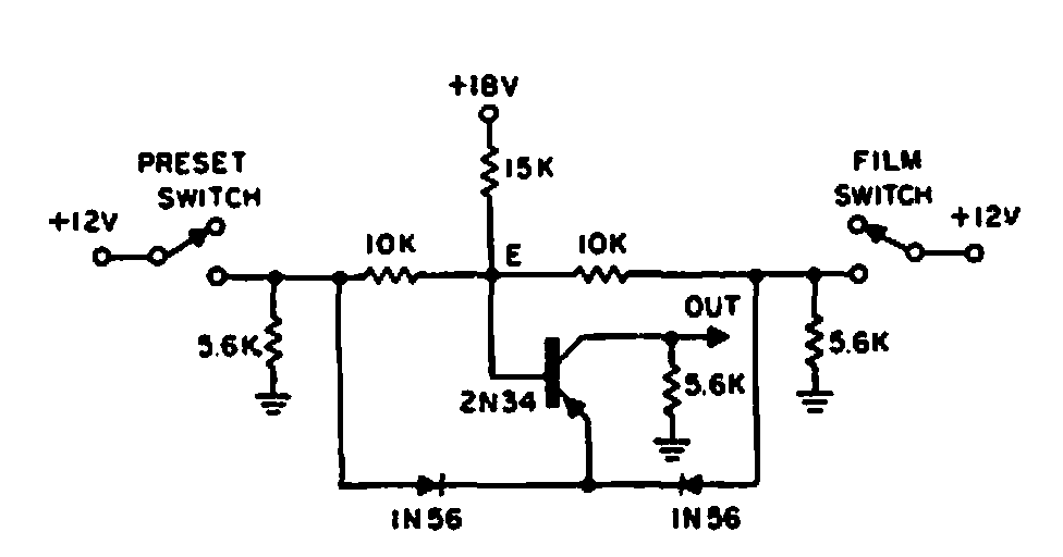
This circuit is from a 1964 Electronic Design book that presents application ideas for transistors. The circuit uses a transistor from that time, but modern equivalents can be used.
The integrated circuit used in this configuration for noise reduction on FM radios is not common...
The presented circuit provides an output voltage proportional to the input current, according to...
The low-pass filter shown in the figure uses two operational amplifiers with JFET at the input to...