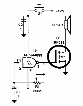
We find this power oscillator circuit in a 90's Popular Electronics. The circuit can be powered by lower voltages. For 12 V it will be convenient to provide the heatsink transistor.

We find this power oscillator circuit in a 90's Popular Electronics. The circuit can be powered by lower voltages. For 12 V it will be convenient to provide the heatsink transistor.
