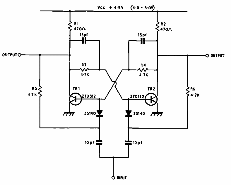
Found in Ferranti's 1969 documentation this circuit has a maximum operating frequency of 7.5 MHz. The circuit can be designed with modern transistors.
The circuit shown has the component values calculated for a frequency of 1 kHz. TL064 can also be...
Voltage regulators from 5 to 15 V for currents of 1 A, can be easily obtained in the form of...
The frequency of this astable multivibrator depends not only on the capacitors, but also on the...