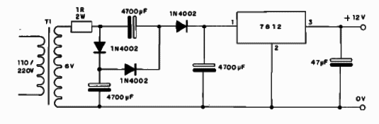
This circuit contains a voltage doubler that comprises two diodes and two capacitors, in order to obtain 12 V from a transformer 6 V. The output current will be reduced. Thus, for a transformer 300 mA maximum current obtained will be less than 150mA, it should be considered in the circuit performance. For currents above 100 mA, the integrated circuit must be mounted on a heatsink.




