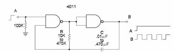
The gated oscillator shown here turns on when a “1" Iogic Ievel is applied to the input. The frequency depends on C1 and R1. With the values shown in the figure, the circuit wiII operate in the audio range. Any AND function can be used in this circuit. The 100 k ohm resistor in the input is necessary if, when the circuit is not gated, the control input is open.

Gated Oscillator (I)



