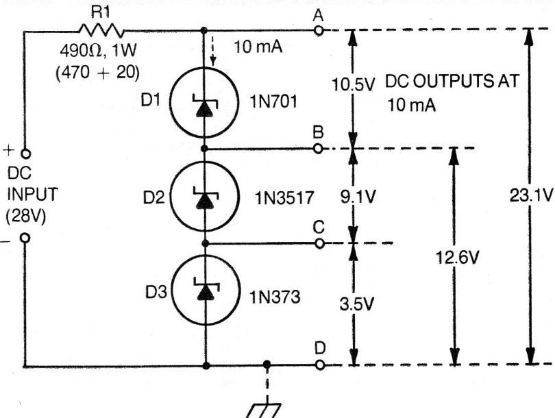
The circuit shown, from an American technical documentation from 1976, is a voltage divider using zener diodes. The circuit can be modified to obtain other voltages, using appropriate diodes. The current is low, as indicated and the input resistor can eventually be recalculated for other applications of higher or lower current. The zener diodes are 1 W.




