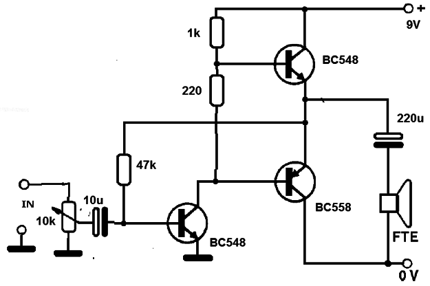
This simple circuit was found in the Spanish magazine “Todo Electronica”, in an edition of 1996. The circuit is very simple, providing a few hundred milliwatts of audio in a small speaker. We made the necessary changes in order to be fitted with current components. We can use it in an intercom or experimental radio. The circuit can be easily implemented on a breadboard. The power should be used a source of at least 300 mA and excellent filtration. The output power is of the order of 300 to 500 mW.




