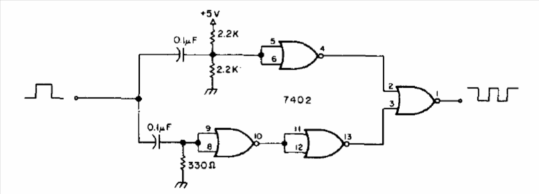
This circuit that can be used as a shield doubles the frequency of a square signal. The supply must be made with a voltage of 5 V. The circuit was obtained in a technical documentation of TTL integrated circuits.
This circuit that can be used as a shield doubles the frequency of a square signal. The supply must be made with a voltage of 5 V. The circuit was obtained in a technical documentation of TTL integrated circuits.