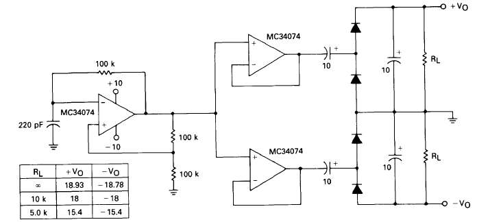
This circuit is implemented with operations that are not common today but can be assembled with more modern equivalents. The circuit is from Motorola's 1990 Linear Databook. The power source must be symmetrical.
This circuit is implemented with operations that are not common today but can be assembled with more modern equivalents. The circuit is from Motorola's 1990 Linear Databook. The power source must be symmetrical.