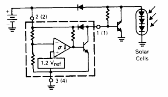
The integrated circuit used in this charger is not very common today. The circuit is from Motorola's 1990 Linear Databook.

The integrated circuit used in this charger is not very common today. The circuit is from Motorola's 1990 Linear Databook.