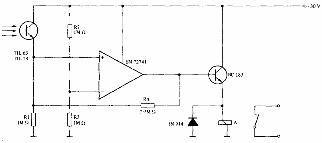
This circuit was found in a Texas Instruments optoelectronics manual and can work with any phototransistor. The transistor can be the BC548 and the supply voltage can be changed according to the relay used. R4 determines the circuit gain.
This circuit was found in a Texas Instruments optoelectronics manual and can work with any phototransistor. The transistor can be the BC548 and the supply voltage can be changed according to the relay used. R4 determines the circuit gain.