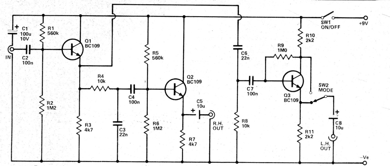
What this circuit does is to separate a monophonic audio signal into two frequency bands so that, when applied to a stereo amplifier, it gives the sensation of separation of the channels. The circuit was found in a 1990 documentation and can be assembled with BC548 transistors.




