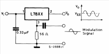
With this circuit it is possible to obtain a voltage modulated in amplitude with a maximum current of 1 A using audio signals, as shown in the graph next to the circuit. The L78xx is equivalent to the common 78xx and the circuit was found in the 1982 SGS Linear Integrated Circuits manual. The integrated circuit must be mounted on a heat radiator.




