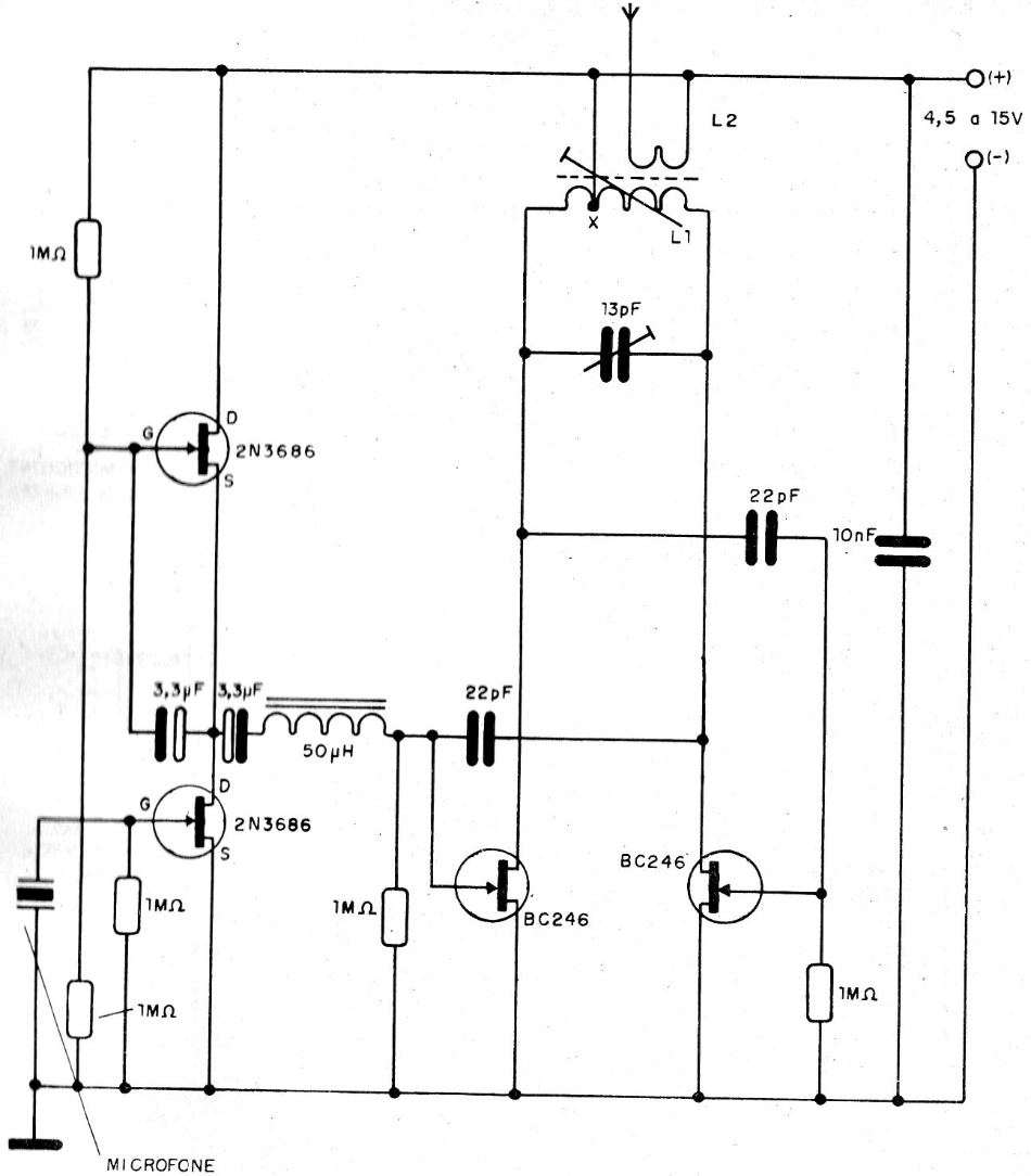
This transmitter for the FM band was found in a 1993 spy documentation. The coil consists of 2 + 4 coils of wire 26 or 28 in the form of an adjustable 0.8 cm ferrite while L2 is made up of 3 coils on L1. The circuit has a range that can reach 1 kilometer under favorable conditions.




