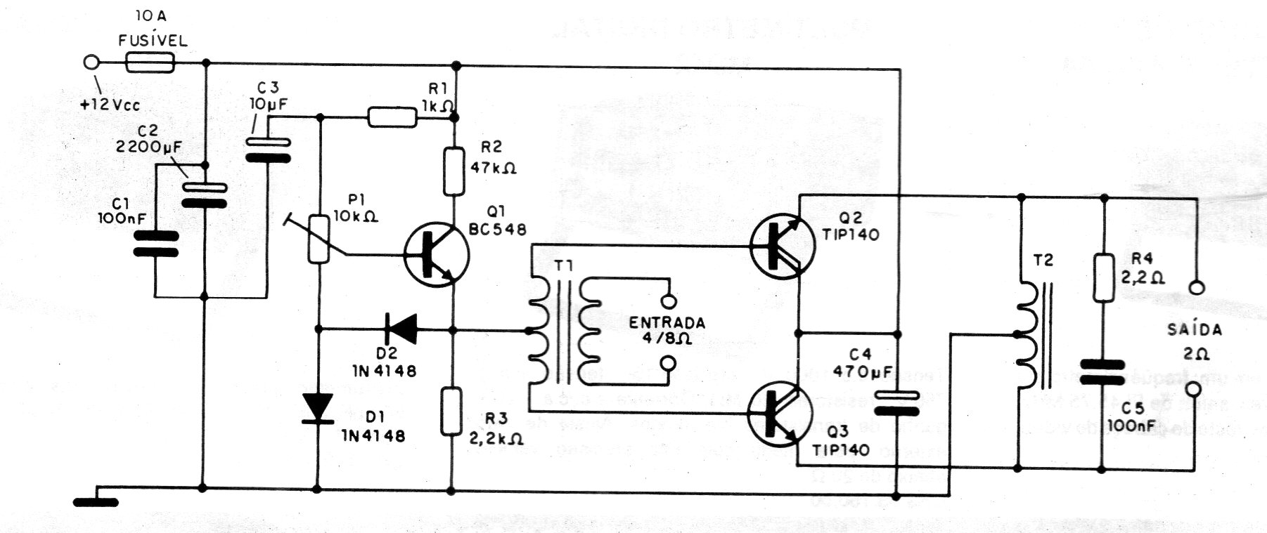
In fact, this circuit found in a 1992 documentation does not have all this power. It consists of a reinforcing circuit in which the output transistors must be provided with heat sinks. T1 is a transformer with 110/220 V primary and 6 + 6 to 12 + 12 V secondary with 200 mA. T2 consists of 48 + 48 turns of wire 20 in a ferrite rod.




