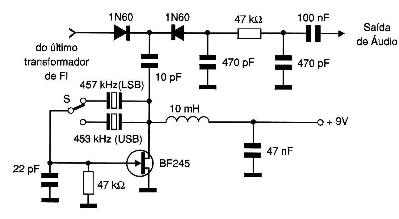
This circuit decodes signals received in SSB (Single Side Band) obtaining an audio signal for application in the amplifier stages. The key selects whether the decoding is USB (Upper Side Band) or LSB (Lower Side Band). The circuit is powered by 9V and can be adapted to communications receivers with 455 kHz FI. For other IF frequencies the crystals must be changed. The field effect transistor, like the diodes, accepts equivalents, and the signal is taken from the receiver's last IF transformer.




