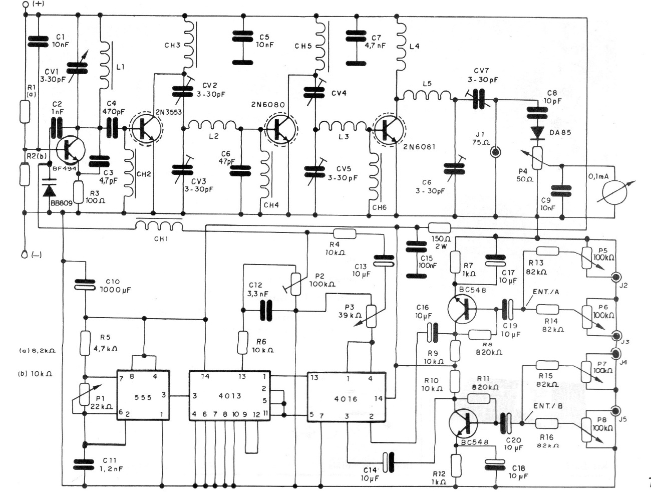
This circuit was obtained in a 1994 documentation. The assembly is very critical, and the circuit requires a power supply with excellent filtering or a 12 V car battery for the supply. Details of the coils are given next to the diagram. The main adjustment is the performance of each stage made in the trimmers and the stereo modulation made in the trimpot. RF transistors must be provided with heat sinks. The antenna can be of the ground plane type.






