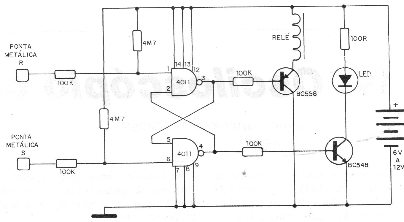
This circuit was found in a 1987 publication. It consists of a touch bistable that controls a relay. The supply can be 5, 6 or 12 V depending on the relay used. Never use a source without a transformer to power this circuit. The circuit also has an LED that indicates when the relay is deactivated.




