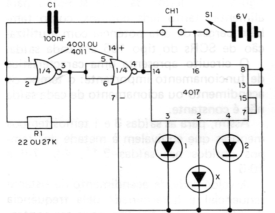
This circuit generates a simple guess when you press CH1 and then release. The circuit can be powered by batteries or battery. A 470 ohms resistor in series with the LEDs will be convenient. We found this circuit in an old technical publication.
This circuit generates a simple guess when you press CH1 and then release. The circuit can be powered by batteries or battery. A 470 ohms resistor in series with the LEDs will be convenient. We found this circuit in an old technical publication.