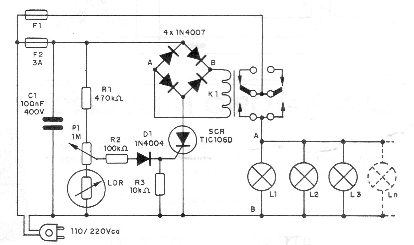
This circuit, which has a very common configuration, was obtained in a 1994 documentation. It can be used with ordinary lamps and other types that light up when the sensor stops detecting light. The trigger point is adjusted in P1. As the control is made by 110 V or 220 V relay, any type of lamp can be controlled.




