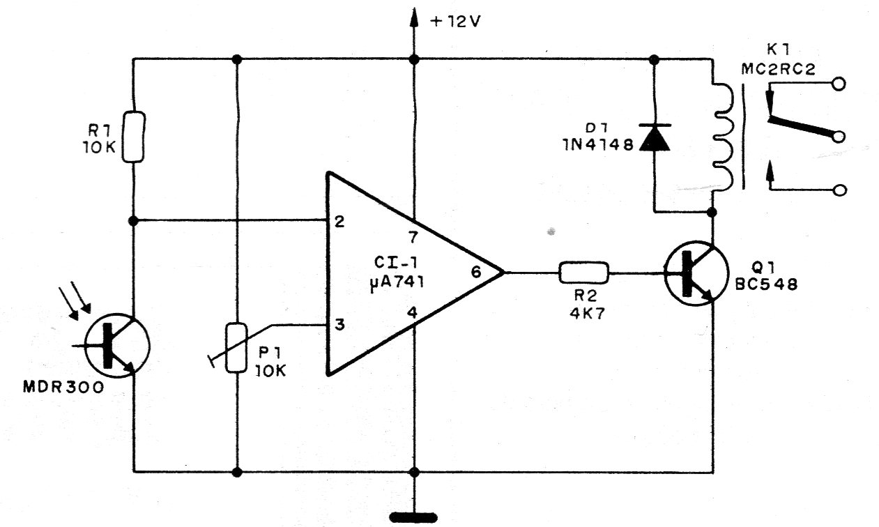
This simple light relay circuit was found in a 1988 documentation. The base is the operational 741 which has an adjustment potentiometer in one of the inputs. The relay is 12 V or depending on the supply. The circuit does not need a symmetrical source. Any phototransistor can be used.




