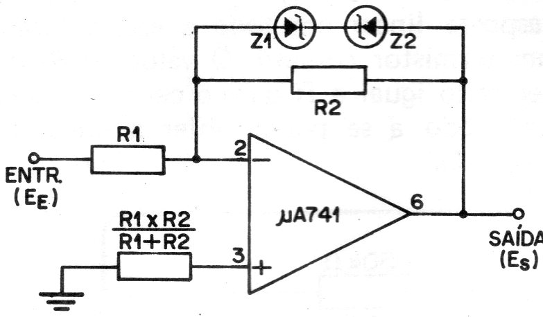
This trimmer or reaper amplifier cuts the signal peaks at a voltage determined by the zener diodes. The gain is given by R1 and R1 and the power supply must be symmetrical from 5 to 15 V.
With this device, ultrasounds captured by an appropriate microphone are converted into sounds and...
We found this circuit that warns when the gate of a house is opened in an old documentation,...
This circuit of very high input resistance was found in a Radio Shack documentation from 1977. The...