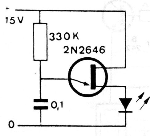
This ultra-low power circuit makes the LED flash. The circuit is powered by 15 V in this application, but must operate from 6 V.

This ultra-low power circuit makes the LED flash. The circuit is powered by 15 V in this application, but must operate from 6 V.
