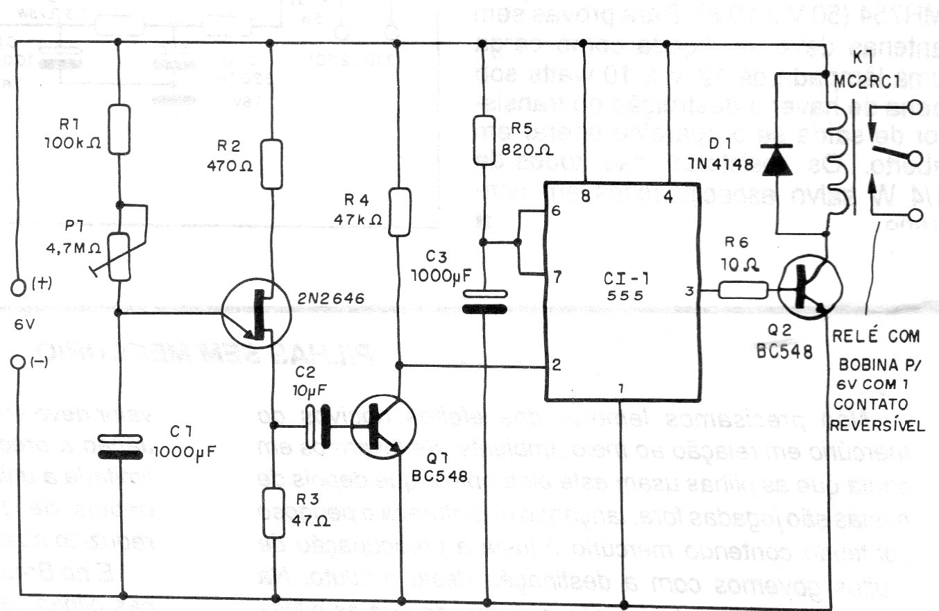
This circuit opens and closes the contacts of a relay at regulating intervals determined by the setting of P1. These intervals can go up to 1 hour with the components used and even more with the increase of the electrolytic capacitor. The supply is made with 6 V for relays with this voltage, but we can also use 12 V relays supplying the circuit with 12 V.




