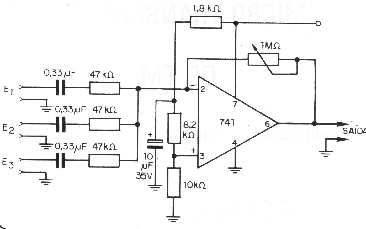
This version of mixed is one of the many that appears on the website using the 741. The circuit was found in a 1977 documentation and does not use a symmetrical power supply. The voltage of the source can be between 9 and 15 V and the gain is adjusted in the 1 M potentiometer. The circuit has no individual adjustment of the inputs, but it can be added using 100 k potentiometers.




