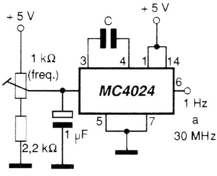
This voltage-controlled oscillator uses an integrated circuit not common today. It can generate signals from 1 Hz to 30 MHz with a 5 V supply. Frequency depends on the capacitor.

This voltage-controlled oscillator uses an integrated circuit not common today. It can generate signals from 1 Hz to 30 MHz with a 5 V supply. Frequency depends on the capacitor.
