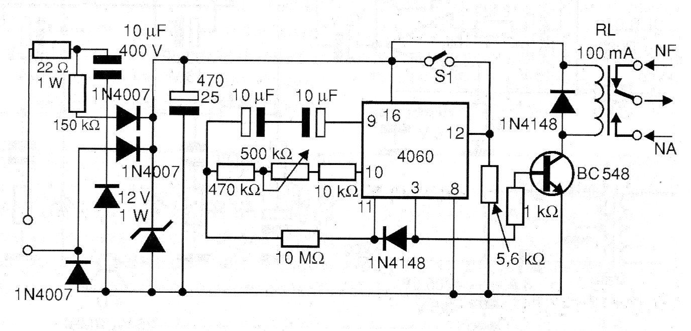
The source used in this timer is of the type without transformer and regulated by the 7 W zener. The 1 k resistor must be replaced by one of 680 ohms or less if the relay refuses to be activated. S1 is the reset of the circuit that works in both 110 V and 220 V. The timing adjustment is made in the 500 k ohms trimpot and the maximum interval is determined by the 10 uF capacitors. The source diodes can be 1N4007 or equivalent. We observed that this circuit is not isolated from the power grid.




