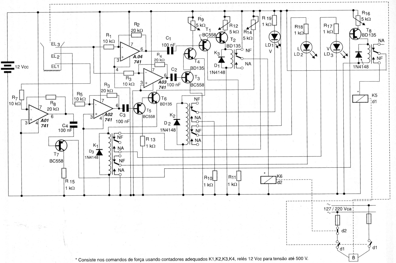
Using common components, this circuit found in a 2003 publication, controls the level of a water reservoir. Several monitoring LEDs are included. and the relays are 12 V which is the voltage used in the supply. Adjustments are made using potentiometers.




