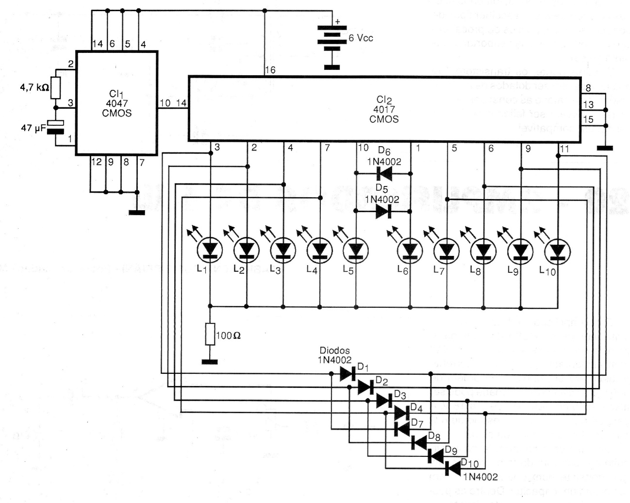
This interesting circuit causes a set of LEDs to flash at a speed controlled by the CI1 in an open-and-close effect. The circuit can be frequency controlled if we change the 4k7 resistor for a 47k potentiometer in series with a 2k2 resistor. The circuit is powered by 6 V. To 9 V, increase the resistor from 100 ohms to 470 ohms.




