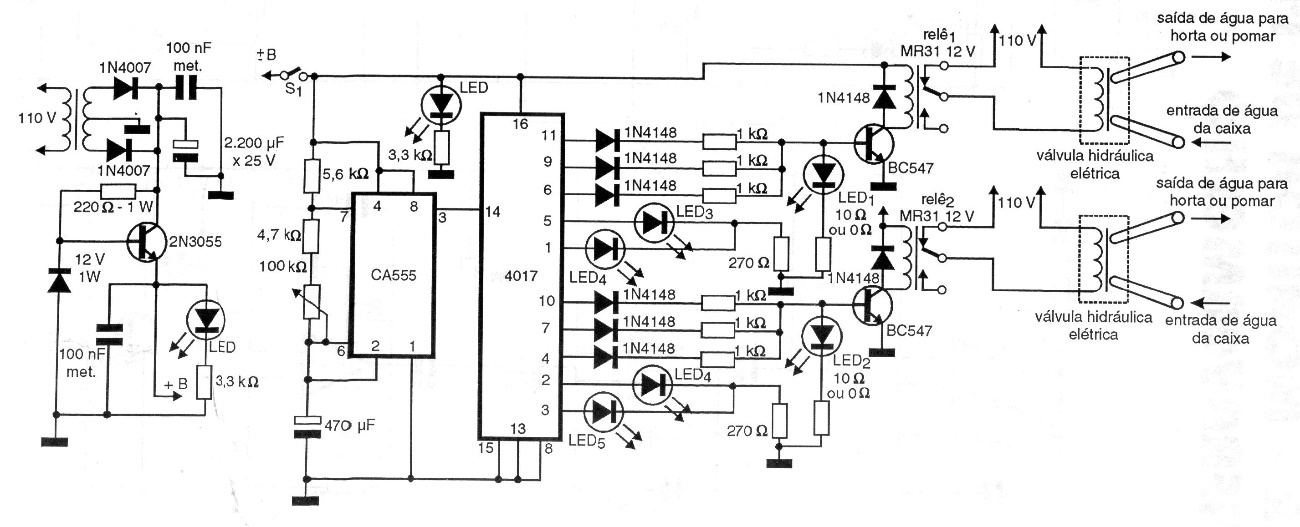
This circuit, found in 1998 documentation, automatically activates solenoid valves in an irrigation system. The circuit consists of a timer for activation with times programmed by the pot next to the 555.
This circuit, found in 1998 documentation, automatically activates solenoid valves in an irrigation system. The circuit consists of a timer for activation with times programmed by the pot next to the 555.