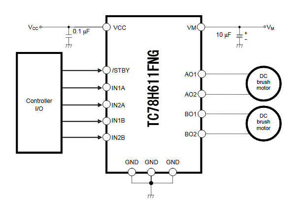
Toshiba's TCH8H611FNG integrated circuit makes it possible to control stepper motors up to 0.8 A with an input voltage of 5.5 V. For the motor, the maximum voltage is 18 V. The two H bridges of the integrated circuit can be used to control two motors.




