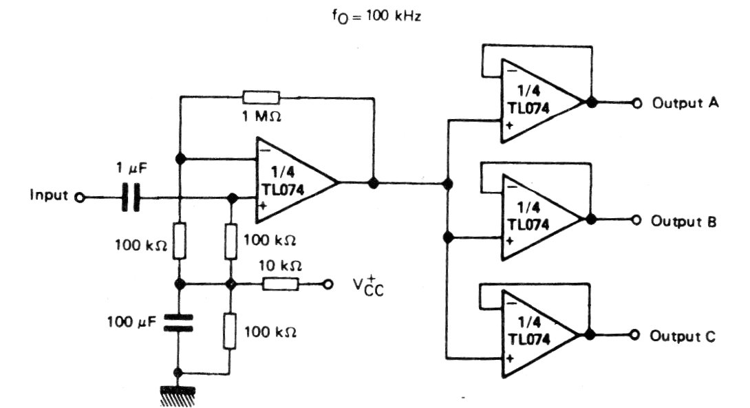
This amplifier for distributing audio signals appears in other articles on this website and even in this section. The configuration requires a symmetrical source, and the outputs are independent. The input is high impedance. Other JFET operational amplifiers can be used.




