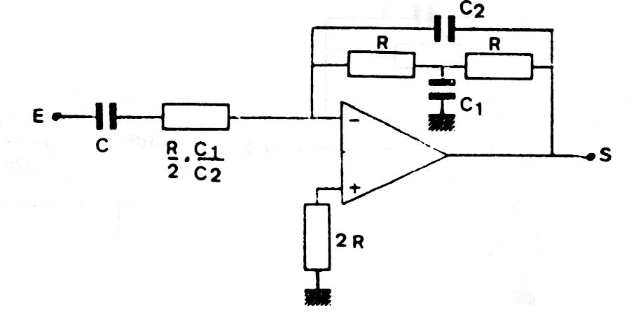
This bandpass filter has a simple feedback system. The component values can be calculated using the formulas found in the math section.
This circuit was found in a Radio Electronics from October 1952. The circuit equalizes the sounds...
This circuit can function as a circuit breaker or current switch opening with a current according to...
The supply of this circuit can be done with voltages from 8 to 28 V and the maximum output current is...