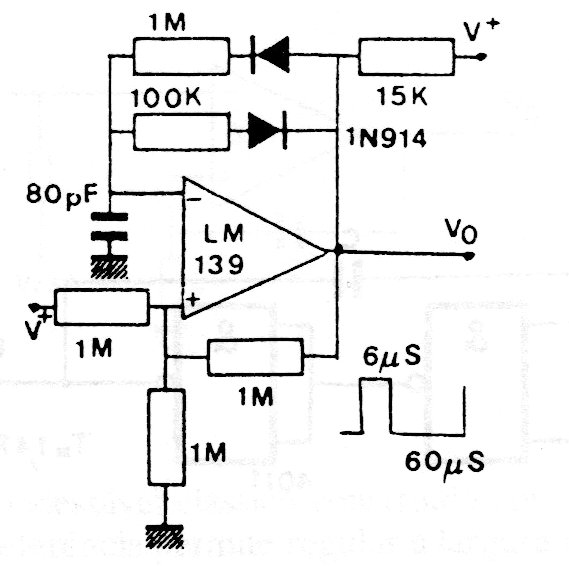
Equivalents of the same series as the LM239 and LM339 can be used in this application. The pulse duration in relation to the frequency can be changed by the 1 M and 100k resistors in the feedback.

Equivalents of the same series as the LM239 and LM339 can be used in this application. The pulse duration in relation to the frequency can be changed by the 1 M and 100k resistors in the feedback.
