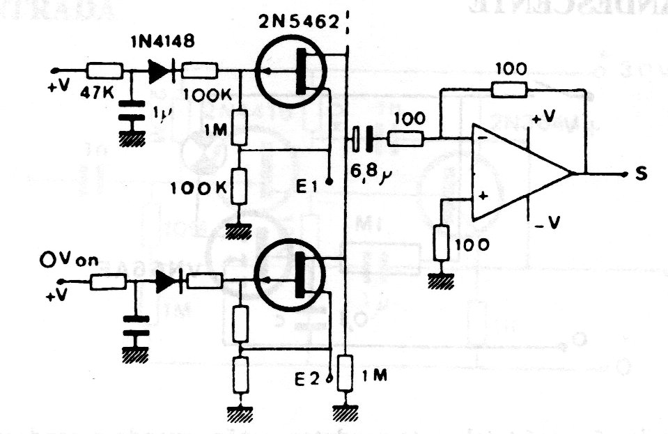
This is a two-input audio switching circuit. The operational can be of any type and more entries can be added. The power supply must be symmetrical.
Found in 1967 Raytheon documentation, this circuit uses a company coupler consisting of a lamp and...
In a modern version this circuit can use an LED in series with a resistor in place of the lamp. The...
This circuit, when triggered, locks, and remains so until the source is switched off for a moment or...