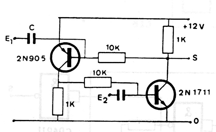
This trigger circuit is from 80s documentation. Transistors support equivalents and capacitors depend on the type of trigger signal.
Found in 1967 Raytheon documentation, this circuit uses a company coupler consisting of a lamp and...
In a modern version this circuit can use an LED in series with a resistor in place of the lamp. The...
This circuit, when triggered, locks, and remains so until the source is switched off for a moment or...