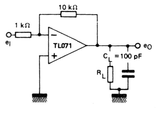
This is a traditional inverter amplifier configuration with voltage gain 10. The operational amplifier has FET at the input, but the configuration is valid for other operational ones. The power supply must be symmetrical with voltage according to the operational used.




