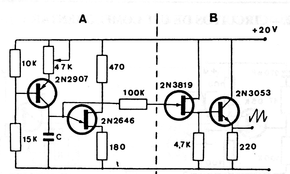
This circuit uses bipolar transistors and unijunction transistors to generate a linear ramp in frequency that depends on capacitor C and the potentiometer setting. The circuit operates up to a few tens of kilohertz and has a FET that can be the BF245.




