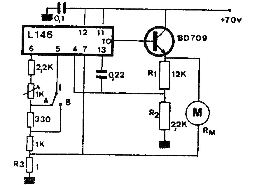
The integrated circuit used in this project is uncommon today, as we found the configuration in a documentation from the 80s. It is a reference and for a current of the order of 500 mA, the transistor used can be the BD135 with a heat sink.
The integrated circuit used in this project is uncommon today, as we found the configuration in a documentation from the 80s. It is a reference and for a current of the order of 500 mA, the transistor used can be the BD135 with a heat sink.