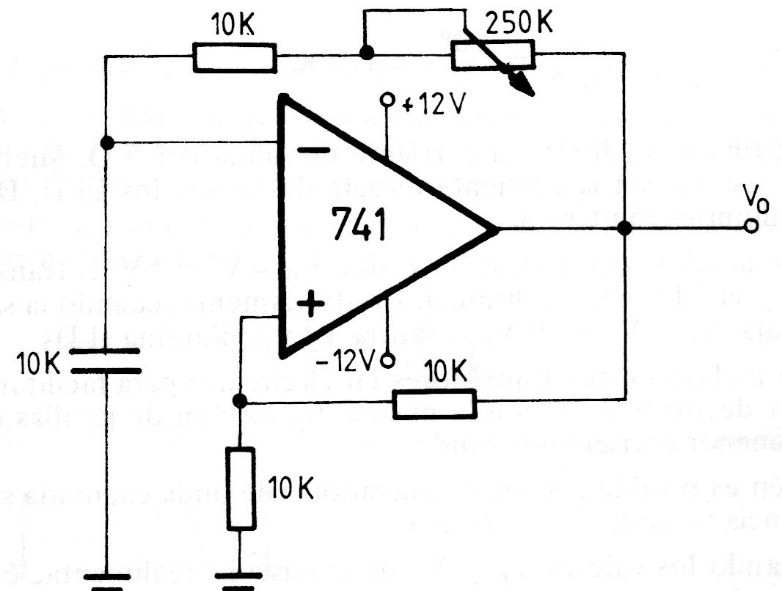
This circuit was found in documentation from the 90s in Europe. The circuit shows how to vary the frequency of an oscillator with the operational 741, in this case between 180 Hz and 4,500 Hz. The output signal is rectangular, and the power supply must be symmetrical. Obs. 10k is 10 nF for the capacitor.




